
Detalizēts produkta apraksts
| Priekšrocība: | Liels ātrums | Marķēšanas ātrums: | 60-200gab / min |
|---|---|---|---|
| Funkcija: | Līmējošās uzlīmes marķēšana | Materiāls: | Nerūsējošais tērauds |
| Pudeles tips: | Automātisks apaļas pudeles etiķetētājs | Pielietojums: | Visu veidu apaļajiem konteineriem |
| Plc zīmols: | MITSUBISHI (Japāna) | Servo marķēšanas motors: | DELTA (Taivāna) |
sarkanvīna marķēšanas mašīna stikla vīna pudeles marķēšanas mašīna, PLC vadības sistēma MITSUBISHI zīmola marķēšanas mašīna
Iespējas:
1. Darbība: PLC vadības sistēma atvieglo marķēšanas mašīnas darbību
2. Materiāls: Marķēšanas mašīnas galvenā virsbūve ir izgatavota no SUS304 nerūsējošā tērauda
3. Konfigurācija: Mūsu marķēšanas mašīnas pieņem labi zināmas japāņu, vācu, amerikāņu, korejiešu vai Taivānas zīmolu daļas
4. Elastīgums: klients var izvēlēties pievienot printeri un kodu mašīnu; var izvēlēties sazināties ar konveijeru vai nē.
Tehniskie parametri:
| Nosaukums | Automātiska apaļa vīna pudele ātrgaitas uzmavu saraušanās apaļas pudeles marķēšanas mašīnai |
| Marķēšanas ātrums | 60-350gab / min |
| Objekta augstums | 30-350mm |
| Objekta biezums | 20-120mm |
| Etiķetes augstums | 5-180mm |
| Etiķetes garums | 25-300mm |
| Etiķetes veltņa iekšējais diametrs | 76mm |
| Etiķetes veltņa ārējais diametrs | 420mm |
| Marķēšanas precizitāte | ± 1mm |
| Enerģijas padeve | 220V 50 / 60Hz 3,5KW |
| Gāzes patēriņš printerim | 5 kg / m2 (ja pievienojat kodēšanas mašīnu) |
| Marķēšanas iekārtas izmērs | 2800 (L) × 1650 (W) × 1500 (H) mm |
| Marķēšanas iekārtas svars | 180kg |
Konfigurācija
| Nē. | Daļa | Zīmols | daudzums |
| 1 | PLC | MITSUBISHI (Japāna) | 1 |
| 2 | Galvenais pārveidotājs | DANFOSS (Dānija) | 1 |
| 4 | HMI | WEINVIEW (Taivāna) | 1 |
| 5 | Servo marķēšanas motors | DELTA (Taivāna) | 1 |
| 6 | Servo marķēšanas motora vadītājs | DELTA (Taivāna) | 1 |
| 7 | Konveijera motors | HY (Taivāna) | 1 |
| 8 | Konveijera motora pārnesumkārba | HY (Taivāna) | 1 |
| 9 | Dalāmās pudeles motors | GPG (Taivāna) | 1 |
| 10 | Dalāmā pudeles motora pārnesumkārba | GPG (Taivāna) | 1 |
| 11 | Pudeles atdalošais motora ātruma regulators | GPG (Taivāna) | 1 |
| 12 | Spieķu motors | GPG (Taivāna) | 1 |
| 13 | Spieķu motora pārnesumkārba | GPG (Taivāna) | 1 |
| 14 | objekts nosaka burvju aci | OMRON (Japāna) | 1 |
| 15 | optiskā šķiedra | OMRON (Japāna) | 1 |
Mašīnas detaļas:

32 galvenās mašīnu daļas

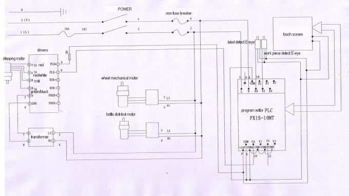
Shēmas shēma

FAQ:
1 etiķete iegūst burbuļus
Iemesli:
① nolobīt dēli nav labi / nav līdzeni;
② arklu dēlis nav labs / nav līdzens;
③ marķēšanas izeja ir pārāk ātra vai montāžas līnijas ātrums ir pārāk mazs;
④ etiķete ir pārāk vaļīga
Risinājumi:
① nomainiet plakanu nolobītu dēli;
② nomainīt plakanu arkla dēli;
③ palēnināt marķējuma izejas ātrumu vai palielināt montāžas līnijas ātrumu;
④ pareizi trieciet etiķetes jostu.
Tagi: rūpnieciskā marķēšanas mašīna, stikla pudeles etiķetēšanas mašīna









